|
Ping Melody: technical information
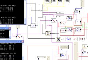
Ping Melody is working in EyesWeb environment as a "patch" (set of software routines connected together) of special software routines and native EyesWeb blocks. The performance is using only one kind of input medium (audio), two kinds of outputs (audio and video), and - of course ñ the Internet connection for duplex data transmission; that is for sending and receiving data packets to/from various network locations selected either by names or by IP numbers. Actually the visualization of data transfer (lost packets, delays, dataflow fluctuations, etc.) and transformation of the IP addresses of servers to geographical longitude and latitude coordinates is based on graphical system showing servers localizations and routes of data transfers on world-map view.
For live performance is required amplification system, video beamer (and screen), and Internet connection. Becouse Ping Melody is based on acoustic sound, sampled in real-time from acoustic instrument, a good quality microphone(s) and on-stage sound monitors are also recommended.
In accordance to modular character of EyesWeb environment, the dedicated software used in performance (redesigned "ping" and "traceroute" unix commands, visual procedures, sound processing procedures etc. - all are existing as EyesWeb "blocks") may be reconfigurated, eg. for better work with used acoustic instrument, or soloist's playing style. The system is not "frozen" application and their internal structure is not hard-wired - the important part of preparing performance, before live act, is creation of the setup, optimized for expressive comunication process and emotional feedback with player.
|